top of page
This site was designed with the
.com
website builder. Create your website today.
Start Now
MAX
PEREZ
Wild Card
A B O U T
B a c k g r o u n d
doc_view
Contact
M o r e
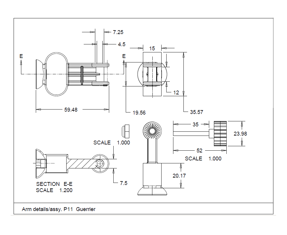
Mechanical Diagrams
Pro_e_Slide
PRO-e_Slide_2
Watercolor Drawing
Watercolor Drawing II
S l i d e s h w_2
M x d_M e d _S l i d e s h o w _3
MS_paint
a f t e r w o r d
More
Use tab to navigate through the menu items.
project_gps/phone holder slideShow
PRo-e CAD
.
p_1.png
p_2.png
p_11.png
p_1.png
1/12
bottom of page